Abstract
This paper presents a second-order voltage-mode filter with three inputs and single-output voltage using single commercially available IC, one resistor, and two capacitors. The used commercially available IC, called LT1228, is manufactured by Linear Technology Corporation. The proposed filter is based on parallel RLC circuit. The filter provides five output filter responses, namely, band-pass (BP), band-reject (BR), low-pass (LP), high-pass (HP), and all-pass (AP) functions. The selection of each filter response can be done without the requirement of active and passive component matching condition. Furthermore, the natural frequency and quality factor are electronically controlled. Besides, the nonideal case is also investigated. The output voltage node exhibits low impedance. The experimental results can validate the theoretical analyses.
1. Introduction
Analog filter is widely utilized in numerous applications such as communication, sound system, instrumentation, and control system. The biquadratic or second-order filter is the important building block. Also, this filter is the basic block to design high order filter. In particular, the second-order multifunction filter which provides many filter responses in the same circuit has gained significant attention and has become an interesting research topic [1, 2]. The multiple-inputs single-output (MISO) universal filter is the interesting one and has been continuously proposed. In case of voltage-mode MISO filter, the selection of output filter response by switching on or off the input voltages should be done without the matching condition of passive and active elements. Moreover, the additional double gain amplifier should not be required.
Attention has been paid to the use of active building block in synthesis and design of electronic circuits for analog signal processing [3–6]. The active building block based circuits require a minimum number of active elements (most of them use only single active building block). Thus, the new active building blocks have been continuously introduced especially the electronically controllable active building block. Most of them are designed and constructed from BJT or CMOS transistors. Practically, these devices should be fabricated into the chip for the best way to test their performances. However, their performances and applications are often proved via simulation by only using computer program due to the investment cost reason. Although the new active building block can be constructed from commercially available IC, for example, in [7, 8] using AD844 and in [9] using OPA860 and EL2082, they still require more than one commercially available IC. Despite the fact that some circuits can use single AD844 as active building block, the AD844 based circuits are not electronically controlled.
In the literature, a number of multiple-input single-output voltage-mode multifunction filters based on different active building blocks have been reported in [10–42] and the references cited. However, the proposed filter in [10–16, 18–23, 27, 29, 30, 32, 34, 38, 39, 41, 42] uses more than one active building block. The natural frequency and quality factor of the filters in [10–17, 19, 21–25, 27, 28, 30, 32, 35, 38, 39] are not electronically tuned. The matching condition for selection of output filter response is required for the circuit in [14, 15, 17, 21, 23, 26, 28, 33, 35–38]. The active building block used in [19, 24, 27, 30, 32, 36, 38] is not commercially available IC. The output voltage node does not exhibit low impedance for the filter in [11, 12, 14, 15, 17, 18, 20–22, 24, 25, 29, 31, 33, 34, 36–38, 40]. The proposed filter in [37, 41] requires double input signal. Additionally, only the proposed filters in [11–18, 21, 22, 25, 26, 31, 35, 39, 41, 42] are supported by the experimental measurements.
The three-input single-output voltage-mode biquad filter emphasizing the use of single commercially available IC, LT1228 from Linear Technology Inc., is present in this paper. The proposed filter consists of single LT1228, single resistor, and two capacitors which are suitable for off-the-shelf implementation. The selection of output filter response can be done without the requirement of any passive and active component matching condition. The natural frequency and quality factor can be electronically adjusted. The experimental results of proposed filter agree well with the theoretical expectation.
2. Principle of Operation
2.1. Active Building Block: LT1228
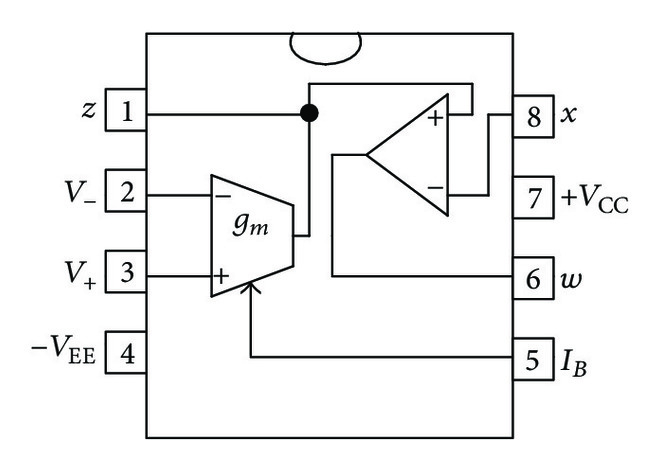
LT1228 is commercially manufactured by Linear Technology Inc. [43]. It is the combination of transconductance amplifier (OTA) and current feedback amplifier (CFA). The symbolic representation of LT1228 is shown in Figure 1(a). Let us denote the name of each port as , , , , and . In ideal consideration, impedance at ports , , and exhibits high and the impedance at ports and exhibits low. Figure 1(b) shows the equivalent circuit and pin configuration is illustrated in Figure 1(c). Ideally, the port relation can be described by the following matrix: where is the transresistance gain. In an ideal case, is typically very large and can be considered as infinite value. of LT1228 is controlled by DC bias current as follows:

(a)

(b)

(c)
2.2. Proposed Filter
The structure of three-input and single-output voltage-mode filter which is composed of single commercially available IC, single resistor, and two capacitors is presented in Figure 1. This filter is based on parallel RLC circuit. The input voltage is applied at terminal which is ideally high impedance, is applied through , and is applied through . The output voltage is at terminal which exhibits low impedance. In routine analysis, the output voltage of the proposed filter can be given asFrom (3), the natural frequency is given as Subsequently, the quality factor is given as It is evident from (4) and (5) that the natural frequency and quality factor can be electronically tuned via .
It is found from (3) that the derivation of five filter responses can be done as follows:(i)If the input voltage is applied at node while nodes and are grounded, the noninverting low-pass filter is achieved.(ii)If the input voltage is applied at node while nodes and are grounded, the noninverting high-pass filter is achieved.(iii)If the input voltage is applied at node while nodes and are grounded, the noninverting band-pass filter is achieved.(iv)If the input voltage is applied at nodes and while node is grounded, the noninverting band-reject filter is achieved.(v)If the input voltage is applied at nodes and while the inverting input voltage is applied at node , the noninverting all-pass filter is.
It is found from the above statement that the output filter response can be selected without the active and passive matching condition. Moreover, the all-pass filter response does not require the double gain amplifier circuit unlike the MISO filters in [37, 41]. However, the inverting unit gain amplifier circuit is required for the all-pass function [44].
3. Effect of Parasitic Elements
Practically, the influence of parasitic element in LT1228 will affect the performances of the proposed filter. High impedance ports , , and and the parallel RC appeared. The parasitic resistance and capacitance are, respectively, named as , , , , , and . At low impedance port , the series resistance appears. This resistance is denoted as . Also, the transresistance gain is considered as paralleled with . These important parasitic impedances most affect the performance of the proposed circuit. Taking them into account, the output voltage of the circuit in Figure 2 is obtained aswhere , , , , and . If the operational frequency , the output voltage in (6) becomesFrom (7), the natural frequency is given as Subsequently, the quality factor is given as

4. Experimental Results
In order to evaluate the performances of the proposed three-input single-output voltage-mode multifunction filter in Figure 2, the experiment was done by using LT1228. The power supply voltage of the LT1228 was ±5 V. An experimental setup was made by taking = = 1 nF, = 1 kΩ, = 100 μA. A resistor of 2 kΩ in series with the terminal (pin 8 of LT1228) was connected as recommended in datasheet [43]. With above component values, the natural frequency and quality factor as analyzed in (4) and (5) become = 159.15 kHz and = 1. For this test, the sinusoidal voltage with 60 was applied as input voltage. The frequency response of the LP, HP, BP, and BR function is reported in Figure 3 and the phase and gain response of AP function is shown in Figure 4. It is obvious that the proposed filter can provide five filter responses as described in Section 2. The theoretical and experimental gain responses are slightly different during low and high frequency due to the effect of parasitic elements of LT1228 as studied in Section 2. The experimental natural frequency is about 155 kHz. The deviation of theoretical and experimental natural frequency is about 2.6%. The time-domain responses of output voltage in LP, HP, BP, BR, and AP functions are, respectively, shown in Figures 5, 6, 7, 8, and 9 when three frequencies, 10 kHz, 155 kHz, and 1 MHz with 60 were applied at the input voltage.



(a)

(b)

(c)

(a)

(b)

(c)

(a)

(b)

(c)

(a)

(b)

(c)

(a)

(b)

(c)
5. Conclusion
In this contribution, the three-input single-output voltage-mode filter is presented. The proposed filter uses only single commercially available IC, LT1228 as active element. The natural frequency and quality factor can be tuned electronically by changing the bias current of LT1228. The selection of output filter response can be done without requirement of the matching condition of passive and active component. Also, the selection of all-pass filter response can be done without the requirement of double gain amplifier. Using only single commercially available IC, the proposed filter is suitable for off-the-shelf implementation. The workability of the proposed filter is demonstrated by experimental results.
Conflicts of Interest
The authors declare that they have no conflicts of interest.
Acknowledgments
The authors are very grateful to Kasetsart University’s Graduate School for funding used for publications in international academic journals.